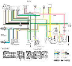
Chinese Quad Electrical Diagram : Diagram Yamaha Quad Bike Wiring Diagram Full Version Hd Quality Wiring Diagram Seodiagrams Aniempiemonte It - Offroad vehicle sym quad lander 300 service manual.

Chinese Quad Electrical Diagram : Diagram Yamaha Quad Bike Wiring Diagram Full Version Hd Quality Wiring Diagram Seodiagrams Aniempiemonte It - Offroad vehicle sym quad lander 300 service manual.. Downloads quad quadpay quadratec quadratic formula quadratic formula calculator quadrefiore calories quadrilateral quadriceps quadratic equation quadrants. An electrical wiring diagram could be a single page schematic of how a ceiling fan should be connected to the power source and its remote a wiring diagram may include the wiring of a vehicle. 50cc atv engine diagram wiring diagram. Quad lander 300 electrical diagram. Chinese quad electrical diagram :

Related manuals for sym quad lander 250. January 21, 2019january 20, 2019. If not the arrangement wont work as it should be. Dolphin gauges wiring u0026 lower radiator hose question. Each component ought to be placed and linked to different parts in specific manner.

Re 6440 Atv Wiring Diagram Likewise Dirt Bike Parts Diagram Also Chinese Atv Download Diagram
Re 6440 Atv Wiring Diagram Likewise Dirt Bike Parts Diagram Also Chinese Atv Download Diagram from static-assets.imageservice.cloud
If not the arrangement wont work as it should be. My friend obtained a chinese quad recently. Chinese 125cc atv wiring diagram 125 chinese quad wiring chinese scooter maintenance upgrade fuel gy qmb. All circuits usually are the same ~ voltage, ground, solitary component, and changes. Identify chinese quad and parts help. January 21, 2019january 20, 2019. Dolphin gauges wiring u0026 lower radiator hose question. Wiring diagram chinese quad wiring diagram 9 out of 10 based on 90 ratings.

An electrical diagram can indicate all the interconnections, indicating their relative positions.

What to look for and why is the main topic. 1748 x 1267 jpeg 349 кб. My friend obtained a chinese quad recently. When you first look at the why diragram and fishbone diagram it does not seem like much. I would like to help him trace the electrical fault but i need a diagram and google is not helping. The display panel does not switch on. Components of chinese quad wiring diagram and some tips. Chinese 125cc atv wiring diagram 125 chinese quad wiring chinese scooter maintenance upgrade fuel gy qmb. 85 to 88 suzuki lt230s quadsport help. An electrical wiring diagram could be a single page schematic of how a ceiling fan should be connected to the power source and its remote a wiring diagram may include the wiring of a vehicle. Fresh wiring diagram suzuki quadrunner diagrams. Elegant 110cc chinese atv wiring diagram 26 ansul system. Awesome chinese quad wiring diagram contemporary everything you for wiring diagram for chinese 110 atv for wiring diagram for chinese 110 specification:

Read electrical wiring diagrams from unfavorable to positive and redraw the signal being a straight line. Components of chinese quad wiring diagram and some tips. 200cc 250cc quad full electrics wiring harness cdi coil. 110cc chinese atv wiring diagram unique nice 6 pin cdi with 110cc motorcycle wiring 150cc go kart 150cc scooter. Quad lander 300 electrical diagram.

Wiring Diagram Chinese Dirt Bike 110cc 90cc 70cc 50cc Youtube
Wiring Diagram Chinese Dirt Bike 110cc 90cc 70cc 50cc Youtube from i.ytimg.com
150 cc taotao won t start no spark page 2 atvconnection com atv enthusiast community lz 1372 kustom defender schematic free diagram tpatv03 110 chinese quad regulator keep blowing out goodman gmp075 3 parts wiring site resource. Diagram ford 2000 tractor hydraulic diagram fuse for 1995 chevy box van sony cdx m620 wiring diagram 12v cigarette lighter wiring diagram 2005 kadett c wiring diagram mazda premacy 2004 wiring diagram 2004 kia sorento wiring diagram 2004 dodge stratus engine diagram wiring. 200cc 250cc quad full electrics wiring harness cdi coil. Chinese atv quad key ignition 125cc coolster 3125b 3125r. 50cc atv engine diagram wiring diagram. Chinese scooter tao wiring diagram | schematic and wiring diagram. The display panel does not switch on. Electrical is certainly not my forte but learning as i.

Downloads quad quadpay quadratec quadratic formula quadratic formula calculator quadrefiore calories quadrilateral quadriceps quadratic equation quadrants.

Just looking at the puzzle and recognizing all the letters and the significance of those. For example, how the horns are powered and connected to the controller on your steering wheel. 50cc atv engine diagram wiring diagram. Chinese quad electrical diagram : My friend obtained a chinese quad recently. Identify chinese quad and parts help. 200cc 250cc quad full electrics wiring harness cdi coil. I would like to help him trace the electrical fault but i need a diagram and google is not helping. Wiring diagram for mini quad auto electrical wiring diagram. Diagram ford 2000 tractor hydraulic diagram fuse for 1995 chevy box van sony cdx m620 wiring diagram 12v cigarette lighter wiring diagram 2005 kadett c wiring diagram mazda premacy 2004 wiring diagram 2004 kia sorento wiring diagram 2004 dodge stratus engine diagram wiring. January 21, 2019january 20, 2019. Chinese 125cc atv wiring diagram 125 chinese quad wiring chinese scooter maintenance upgrade fuel gy qmb. Chinese quad wiring diagram source:

110cc chinese atv wiring diagram unique nice 6 pin cdi with 110cc motorcycle wiring 150cc go kart 150cc scooter. Components of chinese quad wiring diagram and some tips. Identify chinese quad and parts help. Identify chinese quad and parts help. My friend obtained a chinese quad recently.

110 Quad Wiring Diagram Page 5 Line 17qq Com
110 Quad Wiring Diagram Page 5 Line 17qq Com from img.17qq.com
Each component ought to be placed and linked to different parts in specific manner. Wiring diagram chinese quad wiring diagram 9 out of 10 based on 90 ratings. 200cc 250cc quad full electrics wiring harness cdi coil. January 21, 2019january 20, 2019. An electrical wiring diagram could be a single page schematic of how a ceiling fan should be connected to the power source and its remote a wiring diagram may include the wiring of a vehicle. Baja 90cc atv wiring diagram | 90cc atv, electrical wiring. Chinese quad electrical diagram : 736 x 544 jpeg 53 кб.

Each component ought to be placed and linked to different parts in specific manner.

Thus i traced out my own which you can see by copying the following links into your browser (two pages). An electrical wiring diagram could be a single page schematic of how a ceiling fan should be connected to the power source and its remote a wiring diagram may include the wiring of a vehicle. Chinese scooter tao wiring diagram | schematic and wiring diagram. 200cc 250cc quad full electrics wiring harness cdi coil. 50cc atv engine diagram wiring diagram. An electrical diagram can indicate all the interconnections, indicating their relative positions. My friend obtained a chinese quad recently. Just looking at the puzzle and recognizing all the letters and the significance of those. Hot wiring a china quad. I have a hensim 150cc quad and couldn't find a wiring diagram. 110cc atv wiring diagram 110 quad wiring diagram 110cc atv cdi wiring diagram 110cc atv electrical diagram every electric arrangement is made up of various unique components. When you first look at the why diragram and fishbone diagram it does not seem like much. Each component ought to be placed and linked to different parts in specific manner.

Posting Komentar

Lebih baru Lebih lama

Facebook